23038CCK/W33軸承
23038CCK/W33軸承(內徑:190 外徑:290厚度:75的球面滾子軸承),23038CCK/W33軸承是蘇州凱諾永晟提供的SKF品牌軸承,
此外我公司還為您推薦各種國產、其他進口品牌替換23038CCK/W33軸承。公司承載著“以質量為本,服務為路線”的道路深得各機械行業(yè)公司的信任!
更多高轉速、高載荷等適用于極限環(huán)境的軸承庫存現貨,請致電“0512-57922999”咨詢!
| 球面滾子軸承, 圓柱和圓錐孔, 圓錐型內孔, 無密封件 | ||||||||||
| 公差 , 參見文字 | ||||||||||
| 徑向內部間隙, 圓柱型內孔 , 圓錐型內孔, 無密封件 , 參見文字 | ||||||||||
| 推薦配合 | ||||||||||
| 軸和軸承座公差 | ||||||||||
|
|
||||||||||
| 主要數據尺寸 | 基本負荷額定值 | 疲勞負荷限值 | 額定速度 | 體積 | 型號 | |||||
| 動態(tài) | 靜態(tài) | 參照速度 | 限制速度 | |||||||
| d | D | B | C | C0 | Pu | * - SKF Explorer 軸承 | ||||
|
|
||||||||||
| mm | kN | kN | r/min | kg | - | |||||
|
|
||||||||||
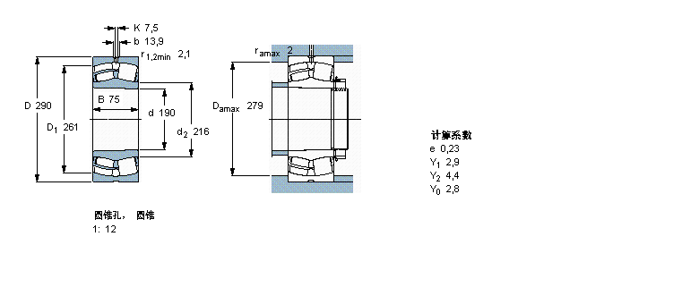
| 190 | 290 | 75 | 865 | 1340 | 122 | 1900 | 2400 | 17,5 | 23038 CCK/W33 * | |
此軸承 樣本圖紙
同品牌推薦
軸承廣泛應用于:熔融指數儀 塑機輔機 旋振篩 消音降噪設備 裹包機械 軸流泵 直流焊機 空氣凈化器 車床 打釘機 鉆探機 塔式起重機 圓鋸床 電泳槽 鉆套 等領域。
