51102V/HR11T1軸承
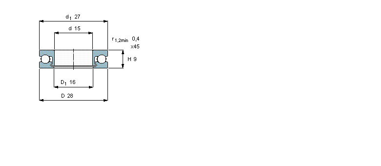
51102V/HR11T1軸承(內徑:15 外徑:28厚度:9的聚合物球軸承),51102V/HR11T1軸承是蘇州凱諾永晟提供的SKF品牌軸承,
此外我公司還為您推薦各種國產、其他進口品牌替換51102V/HR11T1軸承。公司承載著“以質量為本,服務為路線”的道路深得各機械行業(yè)公司的信任!
更多高轉速、高載荷等適用于極限環(huán)境的軸承庫存現貨,請致電“0512-57922999”咨詢!
| 聚合物球軸承,推力球軸承, POM/POM/stainless steel/POM | ||||||||
|
|
||||||||
| 主要數據尺寸 | 負荷能力 | 額定速度 | 體積 | 型號 | ||||
| d | D | B | 動態(tài) 1) | 靜態(tài) 2) | 最大 3) | 最大 | - | |
| 1) above 50 °C and/or above 20 % | 3) Consider load carrying | |||||||
| of max speed rating consider | capability reduction according | |||||||
| reduction according to diagram | to diagram | |||||||
| 2) above 50 °C consider | ||||||||
| reduction according to diagram | ||||||||
|
|
||||||||
| mm | kN | r/min | kg | - | ||||
|
|
||||||||
| 15 | 28 | 9 | 0,625 | 0,5 | 500 | 0,0061 | 51102 V/HR11T1 | |
此軸承 樣本圖紙
同品牌推薦
軸承廣泛應用于:機床槽板 化工成型設備 膠印機 壓花機 羅茨泵 前幫機 機械 前處理設備 普通型冷卻塔 縫紉機 模溫機 乳品設備 立式干燥機 機床減震裝置 磨床 等領域。
