6301/HR22T2軸承
6301/HR22T2軸承(內徑:12 外徑:37厚度:12的聚合物球軸承),6301/HR22T2軸承是蘇州凱諾永晟提供的SKF品牌軸承,
此外我公司還為您推薦各種國產、其他進口品牌替換6301/HR22T2軸承。公司承載著“以質量為本,服務為路線”的道路深得各機械行業(yè)公司的信任!
更多高轉速、高載荷等適用于極限環(huán)境的軸承庫存現貨,請致電“0512-57922999”咨詢!
| 聚合物球軸承,單列球軸承, PP/PP/stainless steel/PP | ||||||||
|
|
||||||||
| 主要數據尺寸 | 負荷能力 | 額定速度 | 體積 | 型號 | ||||
| d | D | B | 動態(tài) 1) | 靜態(tài) 2) | 最大 3) | 最大 | - | |
| 1) above 50 °C and/or above 20 % | 3) Consider load carrying | |||||||
| of max speed rating consider | capability reduction according | |||||||
| reduction according to diagram | to diagram | |||||||
| 2) above 50 °C consider | ||||||||
| reduction according to diagram | ||||||||
|
|
||||||||
| mm | kN | r/min | kg | - | ||||
|
|
||||||||
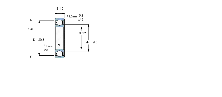
| 12 | 37 | 12 | 0,215 | 0,17 | 1140 | 0,019 | 6301/HR22T2 | |
此軸承 樣本圖紙
同品牌推薦
軸承廣泛應用于:剪腳機 點焊機 挖掘裝載機 石材機械 滾筒刮板干燥機 塑料和橡膠工業(yè) 皮帶輪 焊錫機 中頻焊機 燙臺 脫硫除塵設備 塑料印刷設備 海德堡印刷機 后幫機 橡膠造粒機 等領域。
