BTM60A/P4CDBA軸承
BTM60A/P4CDBA軸承(內徑:60 外徑:95厚度:33的雙向),BTM60A/P4CDBA軸承是蘇州凱諾永晟提供的SKF品牌軸承,
此外我公司還為您推薦各種國產、其他進口品牌替換BTM60A/P4CDBA軸承。公司承載著“以質量為本,服務為路線”的道路深得各機械行業(yè)公司的信任!
更多高轉速、高載荷等適用于極限環(huán)境的軸承庫存現貨,請致電“0512-57922999”咨詢!
| 雙向, 精密,高精度軸承, BTM..A design, 30°, preload A | |||||||||||
| 公差, 2344(00) 設計 , BTM 設計 | |||||||||||
| 推薦配合, shafts, housings | |||||||||||
| 軸和軸承座公差 | |||||||||||
|
|
|||||||||||
| 主要數據尺寸 | 基本負荷額定值 | 疲勞負荷限值 | 可達到的速度 | 體積 | 型號 | ||||||
| 動態(tài) | 靜態(tài) | 當潤滑與 | |||||||||
| 油脂 | 滴油潤滑 | ||||||||||
| d | D | H | C | C | C0 | Pu | |||||
|
|
|||||||||||
| mm | kN | kN | r/min | kg | - | ||||||
|
|
|||||||||||
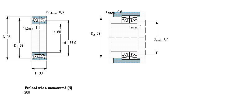
| 60 | 95 | 33 | - | 23,6 | 47,5 | 2,04 | 9000 | 12000 | 0,77 | BTM 60 A/P4CDBA | |
此軸承 樣本圖紙
同品牌推薦
軸承廣泛應用于:防爆泵 化工設備 硬度計 化工實驗設備 玻璃清洗機 光繪機 塑料印刷設備 漩渦泵 炊事設備 涂裝生產線 裝載機械 種植機械 數控車床 排污泵 絲印機 等領域。
