FBSA208/DF軸承
FBSA208/DF軸承(內徑:40 外徑:124厚度:66的角接觸推力球軸承 for screw drives),FBSA208/DF軸承是蘇州凱諾永晟提供的SKF品牌軸承,
此外我公司還為您推薦各種國產、其他進口品牌替換FBSA208/DF軸承。公司承載著“以質量為本,服務為路線”的道路深得各機械行業(yè)公司的信任!
更多高轉速、高載荷等適用于極限環(huán)境的軸承庫存現貨,請致電“0512-57922999”咨詢!
| 角接觸推力球軸承 for screw drives, cartridge units with flanged housing | |||||||||||
| 公差, inner rings, outer rings, see also text | |||||||||||
| Preload, see specific bearing, see also text | |||||||||||
| Shaft fits, housing fits | |||||||||||
| 軸和軸承座公差 | |||||||||||
|
|
|||||||||||
| 主要數據尺寸 | 基本負荷額定值 | 疲勞負荷限值 | 可達到的速度 | 體積 | 型號 | ||||||
| 動態(tài) | 靜態(tài) | 預壓 | SKF | SNFA | |||||||
| A | B | ||||||||||
| d | D2 | A | C | C0 | Pu | ||||||
|
|
|||||||||||
| mm | kN | kN | r/min | kg | - | ||||||
|
|
|||||||||||
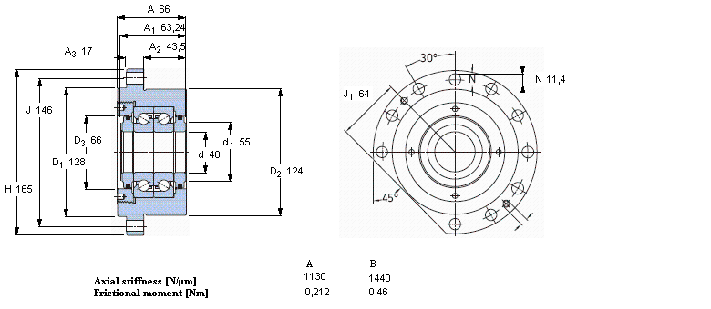
| 40 | 124 | 66 | 42,5 | 112 | 4,15 | 5040 | 2520 | 6,1 | FBSA 208/ DF | BSDU 240 FF | |
此軸承 樣本圖紙
同品牌推薦
軸承廣泛應用于:空氣干燥機 起重機 注塑機 織造機械 休閑食品加工設備 環(huán)保設備 淬火機床 電焊機 電解槽 卷板機床 熱壓機 絲印機 再沸器 磁選設備 塑料和橡膠工業(yè) 等領域。
