OH30/800HE軸承
OH30/800HE軸承(內徑:- 外徑:-厚度:-的緊定套),OH30/800HE軸承是蘇州凱諾永晟提供的SKF品牌軸承,
此外我公司還為您推薦各種國產、其他進口品牌替換OH30/800HE軸承。公司承載著“以質量為本,服務為路線”的道路深得各機械行業(yè)公司的信任!
更多高轉速、高載荷等適用于極限環(huán)境的軸承庫存現貨,請致電“0512-57922999”咨詢!
| 緊定套 | ||||||||||
|
|
||||||||||
| 尺寸 | 體積 | 型號 | ||||||||
| 緊定軸套帶螺母 | 鎖定螺母 | 鎖定裝置 | 適宜的液壓 | |||||||
| d1 | d | d3 | B1 | G | 和鎖緊裝置 | 螺母 | ||||
|
|
||||||||||
| mm | kg | - | ||||||||
|
|
||||||||||
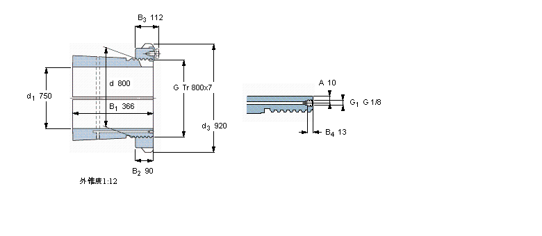
| 750 | 800 | 920 | 366 | Tr 800x7 | 302 | OH 30/800 HE | HME 30/800 | MS 30/800-750 | HMV 160 E | |
此軸承 樣本圖紙
同品牌推薦
軸承廣泛應用于:空心槳葉干燥機 曝氣設備 低溫冷凍機 扭轉試驗機 工藝試驗機 肥料加工設備 行星減速機 無泄漏泵 拉力試驗機 針織機械 非織造布機械 沉淀池 螺桿式冷水機 多級泵 往復泵 等領域。
