OH39/560H軸承
OH39/560H軸承(內徑:- 外徑:-厚度:-的緊定套),OH39/560H軸承是蘇州凱諾永晟提供的SKF品牌軸承,
此外我公司還為您推薦各種國產、其他進口品牌替換OH39/560H軸承。公司承載著“以質量為本,服務為路線”的道路深得各機械行業(yè)公司的信任!
更多高轉速、高載荷等適用于極限環(huán)境的軸承庫存現貨,請致電“0512-57922999”咨詢!
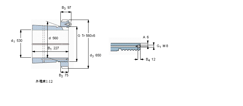
| 緊定套 | ||||||||||
|
|
||||||||||
| 尺寸 | 體積 | 型號 | ||||||||
| 緊定軸套帶螺母 | 鎖定螺母 | 鎖定裝置 | 適宜的液壓 | |||||||
| d1 | d | d3 | B1 | G | 和鎖緊裝置 | 螺母 | ||||
|
|
||||||||||
| mm | kg | - | ||||||||
|
|
||||||||||
| 530 | 560 | 650 | 227 | Tr 560x6 | 95,0 | OH 39/560 H | HM 30/560 | MS 30/560 | HMV 112 E | |
此軸承 樣本圖紙
同品牌推薦
軸承廣泛應用于:攻絲機 礦山施工設備 水焊機 鉆床 機床絲桿 水冷式冷凍機 塑機配件 焊線機 化工混合設備 玻璃磨邊機 冷水機 化工設備 塔式起重機 氣體保護焊機 磨床 等領域。
