21311EK軸承
21311EK軸承(內徑:55 外徑:120厚度:29的球面滾子軸承),21311EK軸承是蘇州凱諾永晟提供的SKF品牌軸承,
此外我公司還為您推薦各種國產、其他進口品牌替換21311EK軸承。公司承載著“以質量為本,服務為路線”的道路深得各機械行業(yè)公司的信任!
更多高轉速、高載荷等適用于極限環(huán)境的軸承庫存現貨,請致電“0512-57922999”咨詢!
| 球面滾子軸承, 圓柱和圓錐孔, 圓錐型內孔, 無密封件 | ||||||||||
| 公差 , 參見文字 | ||||||||||
| 徑向內部間隙, 圓柱型內孔 , 圓錐型內孔, 無密封件 , 參見文字 | ||||||||||
| 推薦配合 | ||||||||||
| 軸和軸承座公差 | ||||||||||
|
|
||||||||||
| 主要數據尺寸 | 基本負荷額定值 | 疲勞負荷限值 | 額定速度 | 體積 | 型號 | |||||
| 動態(tài) | 靜態(tài) | 參照速度 | 限制速度 | |||||||
| d | D | B | C | C0 | Pu | * - SKF Explorer 軸承 | ||||
|
|
||||||||||
| mm | kN | kN | r/min | kg | - | |||||
|
|
||||||||||
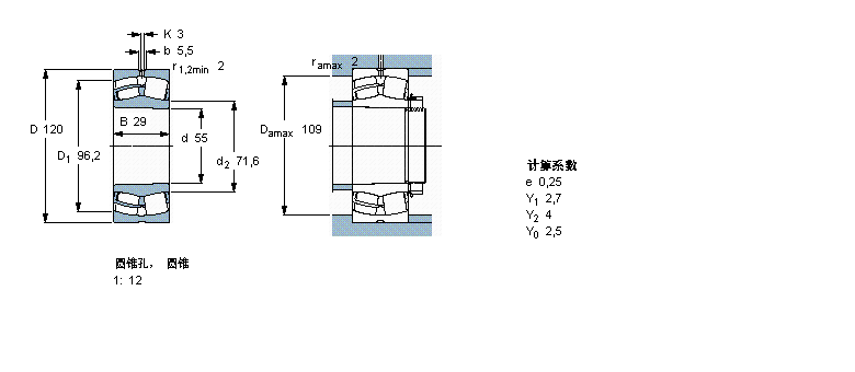
| 55 | 120 | 29 | 156 | 166 | 18,6 | 5600 | 7500 | 1,70 | 21311 EK * | |
此軸承 樣本圖紙
同品牌推薦
軸承廣泛應用于:貼合機 定型機 磨床 花邊機 康復理療設備 鋼筋拉絲機 編織機 檢針設備 擠水機 糖果機械 塑料拉絲機 其它 刻字機 耐材及爐窯 阻火器 等領域。
