21317EK+H317軸承
21317EK+H317軸承(內徑:75 外徑:180厚度:41的球面滾子軸承),21317EK+H317軸承是蘇州凱諾永晟提供的SKF品牌軸承,
此外我公司還為您推薦各種國產、其他進口品牌替換21317EK+H317軸承。公司承載著“以質量為本,服務為路線”的道路深得各機械行業(yè)公司的信任!
更多高轉速、高載荷等適用于極限環(huán)境的軸承庫存現貨,請致電“0512-57922999”咨詢!
| 球面滾子軸承, 帶緊定套的 | ||||||||||
| 公差 , 參見文字 | ||||||||||
| 徑向內部游隙 , 參見文字 | ||||||||||
| 推薦配合 | ||||||||||
| 軸和軸承座公差 | ||||||||||
|
|
||||||||||
| 主要數據尺寸 | 基本負荷額定值 | 疲勞負荷限值 | 額定速度 | 體積 | 型號 | |||||
| 動態(tài) | 靜態(tài) | 參照速度 | 限制速度 | 軸承 + 緊定套 | ||||||
| d1 | D | B | C | C0 | Pu | |||||
| * - SKF Explorer 軸承 | ||||||||||
|
|
||||||||||
| mm | kN | kN | r/min | kg | - | |||||
|
|
||||||||||
| 75 | 180 | 41 | 325 | 375 | 39 | 3800 | 5300 | 6,20 | 21317 EK + H 317 * | |
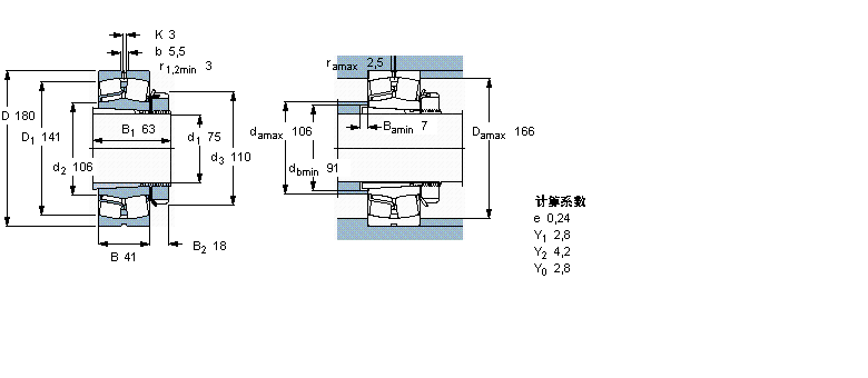
此軸承 樣本圖紙
同品牌推薦
軸承廣泛應用于:打包機械 打膠機 塑料機械 鉆機 制版機 夾層玻璃生產線 紡紗設備(紡機) 履帶挖掘機 廚房設備 輪胎挖掘機 磁力泵 礦業(yè)測量儀器 壓力機 滾動導軌 柔印機 等領域。
