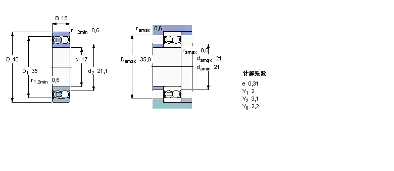
2203E-2RS1TN9軸承
2203E-2RS1TN9軸承(內徑:17 外徑:40厚度:16的自調心球軸承),2203E-2RS1TN9軸承是蘇州凱諾永晟提供的SKF品牌軸承,
此外我公司還為您推薦各種國產、其他進口品牌替換2203E-2RS1TN9軸承。公司承載著“以質量為本,服務為路線”的道路深得各機械行業(yè)公司的信任!
更多高轉速、高載荷等適用于極限環(huán)境的軸承庫存現貨,請致電“0512-57922999”咨詢!
| 自調心球軸承, 圓柱孔和圓錐孔, 圓柱型內孔, 兩面密封件 | ||||||||||
| 公差 , 參見文字 | ||||||||||
| 徑向內部游隙 , 參見文字 | ||||||||||
| 推薦配合 | ||||||||||
| 軸和軸承座公差 | ||||||||||
|
|
||||||||||
| 主要數據尺寸 | 基本負荷額定值 | 疲勞負荷限值 | 額定速度 | 體積 | 型號 | |||||
| 動態(tài) | 靜態(tài) | 參照速度 | 限制速度 | |||||||
| d | D | B | C | C0 | Pu | |||||
|
|
||||||||||
| mm | kN | kN | r/min | kg | - | |||||
|
|
||||||||||
| 17 | 40 | 16 | 8,84 | 2,2 | 0,12 | - | 12000 | 0,089 | 2203 E-2RS1TN9 | |
此軸承 樣本圖紙
同品牌推薦
軸承廣泛應用于:超聲波焊機 干式冷卻塔 波紋管設備 搪瓷反應釜 食用油加工設備 啟閉機 空心槳葉干燥機 塑料和橡膠工業(yè) 繃網機 萬能試驗機 刨床 垃圾車 橫流式冷卻塔 干燥機 果蔬加工設備 等領域。
