2311M軸承
2311M軸承(內徑:55 外徑:120厚度:43的自調心球軸承),2311M軸承是蘇州凱諾永晟提供的SKF品牌軸承,
此外我公司還為您推薦各種國產、其他進口品牌替換2311M軸承。公司承載著“以質量為本,服務為路線”的道路深得各機械行業(yè)公司的信任!
更多高轉速、高載荷等適用于極限環(huán)境的軸承庫存現貨,請致電“0512-57922999”咨詢!
| 自調心球軸承, 圓柱孔和圓錐孔, 圓柱型內孔, 無密封件 | ||||||||||
| 公差 , 參見文字 | ||||||||||
| 徑向內部游隙 , 參見文字 | ||||||||||
| 推薦配合 | ||||||||||
| 軸和軸承座公差 | ||||||||||
|
|
||||||||||
| 主要數據尺寸 | 基本負荷額定值 | 疲勞負荷限值 | 額定速度 | 體積 | 型號 | |||||
| 動態(tài) | 靜態(tài) | 參照速度 | 限制速度 | |||||||
| d | D | B | C | C0 | Pu | |||||
|
|
||||||||||
| mm | kN | kN | r/min | kg | - | |||||
|
|
||||||||||
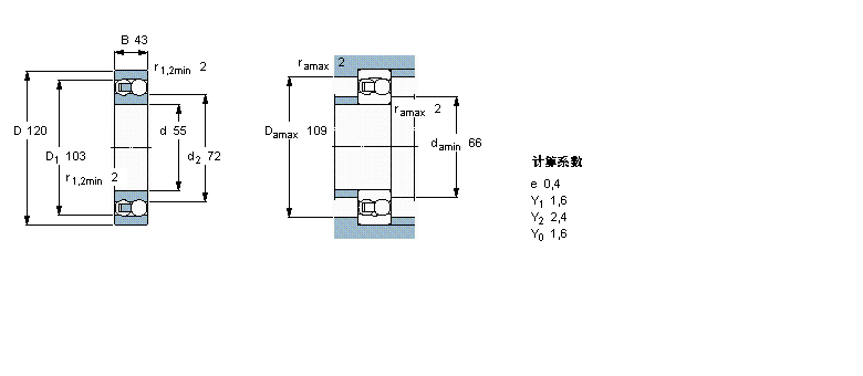
| 55 | 120 | 43 | 76,1 | 24 | 1,25 | 11000 | 7500 | 2,30 | 2311 M | |
此軸承 樣本圖紙
同品牌推薦
軸承廣泛應用于:水力選礦設備 浮法玻璃生產線 反應釜 補焊機 螺桿冷凍機 鑿巖機械 后幫機 環(huán)保設備 中頻焊機 調味品加工設備 平衡機 絞車 模具 石油設備 冷凍機 等領域。
