29336E軸承
29336E軸承(內徑:180 外徑:300厚度:73的球面滾子推力軸承),29336E軸承是蘇州凱諾永晟提供的SKF品牌軸承,
此外我公司還為您推薦各種國產、其他進口品牌替換29336E軸承。公司承載著“以質量為本,服務為路線”的道路深得各機械行業(yè)公司的信任!
更多高轉速、高載荷等適用于極限環(huán)境的軸承庫存現貨,請致電“0512-57922999”咨詢!
| 球面滾子推力軸承, 球面滾子推力軸承 | |||||||||||
| 公差 , 參見文字 | |||||||||||
| 推薦配合 | |||||||||||
| 軸和軸承座公差 | |||||||||||
|
|
|||||||||||
| 主要數據尺寸 | 尺寸 [英寸] | 疲勞負荷限值 | 最小負荷系數 | 額定速度 | 體積 | 型號 | |||||
| 動態(tài) | 靜態(tài) | 參照速度 | 限制速度 | ||||||||
| d | D | H | C | C0 | Pu | * - SKF Explorer 軸承 | |||||
|
|
|||||||||||
| mm | kN | kN | - | r/min | kg | - | |||||
|
|
|||||||||||
| 180 | 300 | 73 | 1430 | 4300 | 440 | 1,8 | 1200 | 2000 | 19,5 | 29336 E * | |
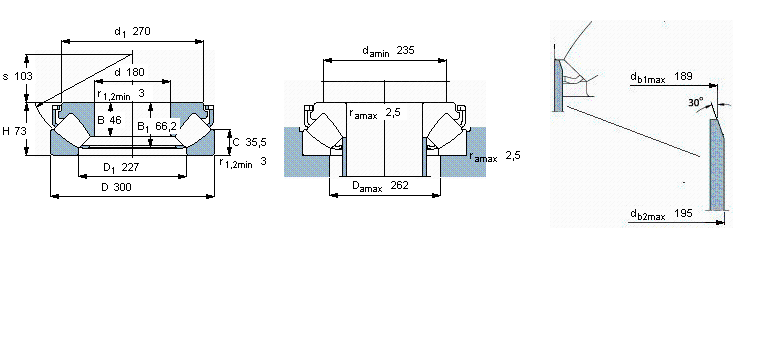
此軸承 樣本圖紙
同品牌推薦
軸承廣泛應用于:焦化設備 注塑機配件 空氣錘 永磁吸盤 同軸減速機 混凝土機械 鉆套 紡織配件 食品、飲料加工設備 鉆床 橡膠定型機 剪腳機 塑料印刷設備 塑機配件 封口機械 等領域。
