351585B軸承
351585B軸承(內徑:1000 外徑:1090厚度:70的圓柱滾子推力軸承),351585B軸承是蘇州凱諾永晟提供的SKF品牌軸承,
此外我公司還為您推薦各種國產、其他進口品牌替換351585B軸承。公司承載著“以質量為本,服務為路線”的道路深得各機械行業(yè)公司的信任!
更多高轉速、高載荷等適用于極限環(huán)境的軸承庫存現貨,請致電“0512-57922999”咨詢!
| 圓柱滾子推力軸承, 軸承 / 圓柱滾子和保持架止推組件 | ||||||||||||
| 公差 , 參見文字 | ||||||||||||
| 推薦配合 | ||||||||||||
| 軸和軸承座公差 | ||||||||||||
|
|
||||||||||||
| 主要數據尺寸 | 基本負荷額定值 | 疲勞負荷限值 | 最小負荷系數 | 額定速度 | 體積 | 型號 | ||||||
| 動態(tài) | 靜態(tài) | 參照速度 | 限制速度 | 軸承 | 圓柱滾子和保持架止推組件 | |||||||
| d | D | H | C | C0 | Pu | A | ||||||
|
|
||||||||||||
| mm | kN | kN | - | r/min | kg | - | ||||||
|
|
||||||||||||
| 1000 | 1090 | 70 | 1830 | 15300 | 850 | 19 | 180 | 360 | 68,0 | 351585 B | - | |
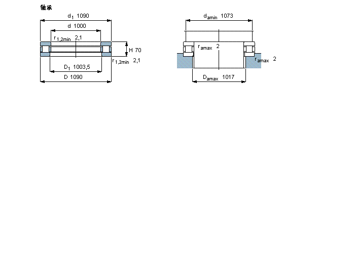
此軸承 樣本圖紙
同品牌推薦
軸承廣泛應用于:焊臺 滾筒刮板干燥機 刮泥機 裝訂機 壓痕機 塑料機械 高頻焊機 鉆機 起重機 多級減速機 氣動卡盤 排污泵 耐磨泵 機床護罩 上光機 等領域。
