BT2B440976軸承
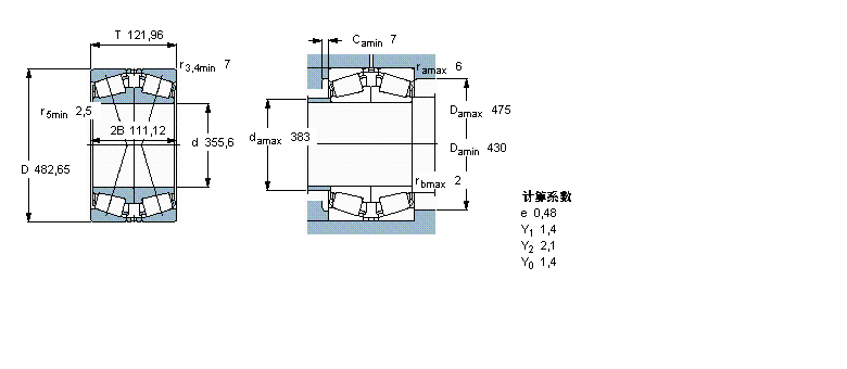
BT2B440976軸承(內徑:355.6 外徑:482.65厚度:121.96的圓錐滾子軸承),BT2B440976軸承是蘇州凱諾永晟提供的SKF品牌軸承,
此外我公司還為您推薦各種國產、其他進口品牌替換BT2B440976軸承。公司承載著“以質量為本,服務為路線”的道路深得各機械行業(yè)公司的信任!
更多高轉速、高載荷等適用于極限環(huán)境的軸承庫存現貨,請致電“0512-57922999”咨詢!
| 圓錐滾子軸承, 單列,面對面配對 | ||||||||||
| 公差 , 參見文字 | ||||||||||
| 軸向內部間隙, 參見文字 | ||||||||||
| 推薦配合 | ||||||||||
| 軸和軸承座公差 | ||||||||||
|
|
||||||||||
| 主要數據尺寸 | 基本負荷額定值 | 疲勞負荷限值 | 額定速度 | 體積 | 型號 | |||||
| 動態(tài) | 靜態(tài) | 參照速度 | 限制速度 | |||||||
| d | D | T | C | C0 | Pu | |||||
|
|
||||||||||
| mm | kN | kN | r/min | kg | - | |||||
|
|
||||||||||
| 355,6 | 482,65 | 121,96 | 968 | 2400 | 196 | 700 | 1300 | 59,0 | BT2B 440976 | |
此軸承 樣本圖紙
同品牌推薦
軸承廣泛應用于:耐磨試驗機 漩渦泵 玻璃機械 挖掘機 通風機 通信 塑料擠出機 鑄造機床 陶瓷生產線 貼片機 壓光機 瓦片機械 縫紉機 藥品包裝機械 電烙鐵 等領域。
