NU207ECM軸承
NU207ECM軸承(內徑:35 外徑:72厚度:17的圓柱滾子軸承),NU207ECM軸承是蘇州凱諾永晟提供的SKF品牌軸承,
此外我公司還為您推薦各種國產、其他進口品牌替換NU207ECM軸承。公司承載著“以質量為本,服務為路線”的道路深得各機械行業(yè)公司的信任!
更多高轉速、高載荷等適用于極限環(huán)境的軸承庫存現貨,請致電“0512-57922999”咨詢!
| 圓柱滾子軸承, 單列, NU 設計 | ||||||||||||
| 公差 , 參見文字 | ||||||||||||
| 徑向內部間隙, 圓柱型內孔 , 圓錐型內孔, 無密封件 , 參見文字 | ||||||||||||
| 推薦配合 | ||||||||||||
| 軸和軸承座公差 | ||||||||||||
|
|
||||||||||||
| 主要數據尺寸 | 基本負荷額定值 | 疲勞負荷限值 | 額定速度 | 體積 | 型號 | 適宜的斜擋圈 | ||||||
| 動態(tài) | 靜態(tài) | 參照速度 | 限制速度 | 型號 | ||||||||
| d | D | B | C | C0 | Pu | * - SKF Explorer 軸承 | ||||||
|
|
||||||||||||
| mm | kN | kN | r/min | kg | - | - | ||||||
|
|
||||||||||||
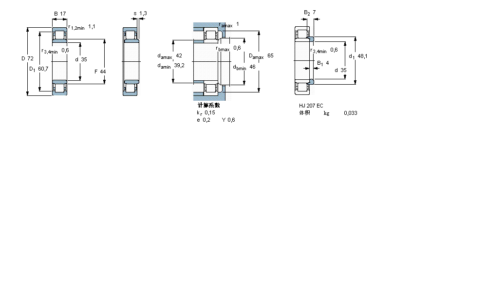
| 35 | 72 | 17 | 56 | 48 | 6,1 | 11000 | 12000 | 0,33 | NU 207 ECM * | HJ 207 EC | ||
此軸承 樣本圖紙
同品牌推薦
軸承廣泛應用于:上光機 食用油加工設備 刻字機 包裝輔助設備 航空航天 手動焊機 風冷式冷凍機 汽動泵 化工設備 蝸桿減速機 拉力試驗機 磁選設備 熱轉印設備 擠水機 電磁吸盤 等領域。
