NU212ECP軸承
NU212ECP軸承(內徑:60 外徑:110厚度:22的圓柱滾子軸承),NU212ECP軸承是蘇州凱諾永晟提供的SKF品牌軸承,
此外我公司還為您推薦各種國產、其他進口品牌替換NU212ECP軸承。公司承載著“以質量為本,服務為路線”的道路深得各機械行業(yè)公司的信任!
更多高轉速、高載荷等適用于極限環(huán)境的軸承庫存現貨,請致電“0512-57922999”咨詢!
| 圓柱滾子軸承, 單列, NU 設計 | ||||||||||||
| 公差 , 參見文字 | ||||||||||||
| 徑向內部間隙, 圓柱型內孔 , 圓錐型內孔, 無密封件 , 參見文字 | ||||||||||||
| 推薦配合 | ||||||||||||
| 軸和軸承座公差 | ||||||||||||
|
|
||||||||||||
| 主要數據尺寸 | 基本負荷額定值 | 疲勞負荷限值 | 額定速度 | 體積 | 型號 | 適宜的斜擋圈 | ||||||
| 動態(tài) | 靜態(tài) | 參照速度 | 限制速度 | 型號 | ||||||||
| d | D | B | C | C0 | Pu | * - SKF Explorer 軸承 | ||||||
|
|
||||||||||||
| mm | kN | kN | r/min | kg | - | - | ||||||
|
|
||||||||||||
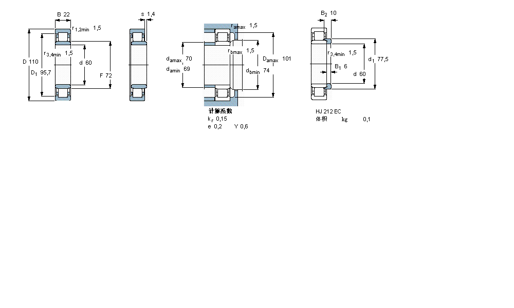
| 60 | 110 | 22 | 108 | 102 | 13,4 | 6700 | 7500 | 0,81 | NU 212 ECP * | HJ 212 EC | ||
此軸承 樣本圖紙
同品牌推薦
軸承廣泛應用于:飲品店設備 鉆機 路面機械 跳線機 原料藥設備及機械 換熱器 鏜床 涂裝設備 醫(yī)用車、床、臺 橡膠成型機 實驗室用混合設備 模具 砂磨機 海德堡印刷機 屠宰及肉類初加工設備 等領域。
