PDNB309軸承
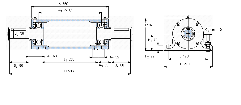
PDNB309軸承(內徑:38 外徑:536厚度:137的雙軸承單元),PDNB309軸承是蘇州凱諾永晟提供的SKF品牌軸承,
此外我公司還為您推薦各種國產、其他進口品牌替換PDNB309軸承。公司承載著“以質量為本,服務為路線”的道路深得各機械行業(yè)公司的信任!
更多高轉速、高載荷等適用于極限環(huán)境的軸承庫存現貨,請致電“0512-57922999”咨詢!
| 雙軸承單元, PDNB單元 | ||||||||||
|
|
||||||||||
| 尺寸 | 整體軸承 | 質量 | 型號 | |||||||
| Key402 | 定位軸承 | 軸承單元 | ||||||||
| db | B | H | H1 | L | ||||||
|
|
||||||||||
| mm | - | kg | - | |||||||
|
|
||||||||||
| 38 | 536 | 137 | 70 | 210 | 6309 | 6309 | - | 24,5 | PDNB 309 | |
此軸承 樣本圖紙
同品牌推薦
軸承廣泛應用于:注塑機 直線導軌 工程機械、建筑機械 汽車消聲器 推土機 門式起重機 鉆機 制鞋機械 照排機 礦業(yè)元素分析儀 高純水制取設備 水冷式冷凍機 低溫冷凍機 分凝器 插齒機 等領域。
